Tornillo de banco
El tornillo de banco es una herramienta que sirve para dar una eficaz sujeción, a la vez que ágil y fácil de manejar, a las piezas para que puedan ser sometidas a diferentes operaciones mecánicas como aserrado, perforado, fresado, limado o marcado. En Argentina y Uruguay recibe el nombre de morsa, denominación que asimismo se le da en italiano y portugués.[1]



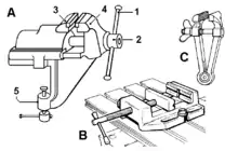
Se suele asentar en una mesa o banco de trabajo, bien atornillado a la superficie o apoyada en el suelo del taller.[2] Tiene dos quijadas, una fija y la otra movida por un tornillo, normalmente de rosca cuadrada o trapezoidal, que gira gracias a una palanca, entre ellas se fijan las piezas a mecanizar. Para no dañar la superficie de las piezas se suelen colocar unas protecciones llamadas galteras o bien, mordazas blandas, realizadas en plomo u otro material blando.[3][4]
Esta herramienta es fundamental en la manufactura de cualquier producto del hierro o cualquier otro material que tenga que sujetarse para trabajarlo. Operaciones como aserrado, limado o marcado, precisan de un eficaz sujeción, a la vez que ágil y fácil de manejar. Estas características son, precisamente, las que posee esta herramienta.[2]
El tornillo de banco se utiliza para sujetar en él las piezas. Va fijo a la mesa de trabajo y es fácil de utilizar. Para ajustar la pieza que se va a cortar se debe girar el tornillo y a continuación se podrá cortar la pieza sin que se mueva para obtener un corte recto y liso.
El inventor de este aparato fue Samuel Morse. A partir del primer prototipo, los ingenieros de la época fueron mejorando la herramienta. Por ejemplo, en 1830 se fabricó el primer tornillo de banco de hierro fundido y en 1925 salió el modelo de hierro forjado, más duro y resistente que su predecesor.
Véase también
Referencias
- Real Academia Española y Asociación de Academias de la Lengua Española. «morsa». Diccionario de la lengua española (23.ª edición). Consultado el 28 de mayo de 2016.
- Orozco Roldán, Francisco; López Gálvez, Cristóbal (2013). Mecanizado. Paraninfo. p. 5. ISBN 8497324412, ISBN 9788497324410.
- Bartsch, Walter (1978). Herramientas máquinas trabajo: con ejercicios y ejemplos. Reverté. p. 49. ISBN 8429160213, ISBN 9788429160215.
- Ullrich, Heinz; Klante, Dieter (1997). Iniciación Tecnológica: Nivel Inicial - 1º y 2º Ciclos E.G.B. (Juan Jorge Thomas, trad.). Buenos Aires: Ediciones Colihue SRL. p. 127. ISBN 9505816170, ISBN 9789505816170.
Enlaces externos
Wikimedia Commons alberga una categoría multimedia sobre Tornillo de banco.