Oscilador de cambio de fase
El oscilador de cambio de fase (en inglés phase-shift oscillator) es un circuito electrónico que produce una salida en forma de onda senoidal. Consiste en un elemento amplificador inversor, tal como un transistor o un amplificador operacional al que se le añade una realimentación constituida por una sección RC de tercer orden en escalera. Esta red de realimentación introduce un desfase de 180º a la frecuencia de oscilación para proporcionar realimentación positiva. El oscilador de cambio de fase se utiliza frecuentemente como oscilador de audio.
Historia
Una de las primeras patentes que menciona de manera explícita este tipo de oscilador, fue solicitada en 1941 por el inventor estadounidense Winston Kock a nombre de la empresa fabricante de órganos eléctricos The Baldwin Company.[1]El inventor declaraba que este oscilador realizado a base de tubos de vacío y una red de cambio de fase, era particularmente útil para la generación de música con instrumentos musicales eléctricos, ya que generaba señales para las diferentes notas y tonos musicales que se podían ejecutar. En 1949, Alois Rack presentó un oscilador a base de los primeros transistores, en el cual la red de realimentación era basada en bobinas y condensadores que generaba señales senoidales de hasta 17 MHz.[2]En 1952, el inventor estadounidense, Dunford Kelly solicitó una patente para una variante de este dispositivo, en la cual eran conectados en cascada 4 amplificadores, con una red de realimentación en escalera de 4 resistencias e igual número de condensadores lo cual ofrecía una distorsión mucho menor del 1% sobre un amplio rango de frecuencias.[3]Everett Eberhard, de la empresa Motorola, en 1954 desarrolló la primera versión a base de transistores bipolares PNP respetando la idea original de la red de resistencias y condensadores. Sin embargo, el año anterior la primera implementación del oscilador como un circuito integrado fue desarrollada por el ingeniero Harwick Johnson, de Radio Corporation of America.[4]En 1965, el físico japonés Izuo Hayashi propuso una implementación con transistores de efecto campo.[5]
Implementaciones
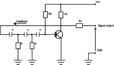
Transistor de unión bipolar

La idea detrás de esta implementación, es la que presentó en 1949 el inventor Alois Rack, que fuera adaptada posteriormente por la revista estadounidense Popular Electronics para su uso con transistores bipolares NPN. En la figura que representa este diseño, la red de cambio de fase es usada para formar una realimentación positiva. Las resistencias Rb y Rc polarizan el transistor. La resistencia RS es una resistencia de separación que se halla a la salida del oscilador.


Transistor JFET
La ventaja de esta configuración está en que la impedancia de entrada al amplificador es bastante alta, por lo que los efectos de la carga pueden ser despreciados. La topología usada para la realimentación positiva es la de realimentación de voltaje en serie.
Amplificador operacional
Una de la implementaciones más simples de este tipo de oscilador utiliza un amplificador operacional, tres condensadores y cuatro resistencias como se muestra en el diagrama
Los cálculos para la frecuencia y el criterio de oscilación para este circuito son complicados, como en el caso anterior debido a que cada una de las secciones RC recibe su carga de la sección precedente. Los cálculos se simplifican grandemente si se utilizan resistencias y condensadores iguales, a excepción de la resistencia de realimentación negativa. En el esquema, si , y
, entonces:
y el criterio de oscilación establece que la resistencia de realimentación Rfb se expresa simplemente como:
Si los valores de las resistencias y condensadores son diferentes entre sí, la frecuencia de resonancia o de oscilación se expresa:
El criterio de oscilación para esta implementación es que la resistencia de realimentación Rfb es expresada de modo más complicado:
Referencias
- «Patent US2342286: Oscillation generating system» (en inglés). United States Patent Office. Consultado el 17 de abril de 2016.
- «Patent US2556296: High frequency transistor oscillator» (en inglés). United States Patent Office. Consultado el 17 de abril de 2016.
- «Patent US 2749441: Phase shift oscillator» (en inglés). United States Patent Office. Consultado el 17 de abril de 2016.
- «Patent US2816228: Semiconductor phase shift oscillator and device» (en inglés). United States Patent Office. Consultado el 17 de abril de 2016.
- «Patent US3289102: Variable frequency phase shift oscillator utilizing field-effect transistors» (en inglés). United States Patent Office. Consultado el 17 de abril de 2016.