Oscilador RF
En aplicaciones electrónicas, un oscilador es un dispositivo electrónico que proporciona una señal de salida como consecuencia de la alimentación de una fuente de CC. La señal obtenida debe ser repetitiva, pudiendo tener forma senoidal, pulso, cuadrada o triangular entre otras.

Funciona sobre la base de realimentación o retroalimentación positiva; por lo tanto, parte de la señal de salida se debe reinyectar a la entrada en fase.
- La ecuación para el amplificador realimentado se expresa:
- donde:
- corresponde a la ganancia de voltaje con realimentación.
- corresponde a la ganancia de voltaje en lazo abierto.
- relación de retroalimentación, fracción decimal.
Criterio de Barkhausen
- Establece que la forma de onda de salida, permanecerá luego de alimentado el circuito, si y el ángulo de fase de realimentación igual a o a un número entero múltiplo de .
- Un oscilador RF es un dispositivo electrónico que genera una tensión oscilante a frecuencias típicas de radiofrecuencia.
Oscilador de puente de Wien

Es un oscilador de corrimiento de fase RC, no sintonizado. Se utiliza para la generación de frecuencias bajas y medias (hasta 1MHz Aprox).
- A la frecuencia de oscilación, en R1 y C1 se produce un desplazamiento de fase de -45º y a través de R2 y C2 un desplazamiento de +45º. Como resultado, a través de la red el desplazamiento de fase es de 0º; además de producir una atenuación de la señal. Esta atenuación en la función de transferencia es igual a 1/3 en .
- Se debe compensar la atenuación actuando sobre la ganancia del amplificador:
- La frecuencia de oscilación, se determina por:
- Si ,
- la fórmula de frecuencia de oscilación se transforma en;
Características de un buen oscilador RF
Lo que se le pide a un oscilador RF es:
- arranque automáticamente al conectarlo
- frecuencia estable ante fenómenos tales como; vibraciones, cambios de temperatura, cambios en la tensión de alimentación, etc.
- si es de frecuencia variable, que la misma varíe de manera repetitiva y llegue rápidamente a la nueva frecuencia
- cuando se le conecta una carga, la misma no genere un cambio en la frecuencia
- que el nivel de distorsión sea bajo
- que tenga un valor bajo de ruido de fase.
Tipos de osciladores RF








Los osciladores de radiofrecuencia pueden ser de varios tipos. Los más comunes son:
- Osciladores sintonizados, tanque o LC : Hartley, Colpitts , Armstrong, Vackar, Seiler, Clapp
- Osciladores Pierce, a cuarzo o cerámicos
- Osciladores por frecuencia sintetizada
- Los osciladores LC, utilizan un circuito tanque para fijar la frecuencia de funcionamiento.
- La figura animada, muestra el intercambio de energía entre el capacitor y el inductor. La frecuencia de funcionamiento del circuito tanque, corresponde a la frecuencia de resonancia de la red LC en paralelo. El ancho de banda depende del factor de calidad (factor Q). Este factor de selectividad puede expresarse;
- , siendo el ancho de banda.
- La frecuencia de resonancia se expresa por
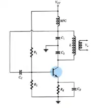
Oscilador Hartley
- A partir del momento en que se le proporciona un voltaje de CC al circuito mostrado, comienza a manifestarse la carga en las placas de Cout; lo que provoca una cantidad de frecuencias que son aplicadas al circuito tanque.
- A continuación, estas variaciones, también denominadas ruido, producen el inicio de intercambio de energía entre L1-L2 y C1. Cuando la reactancia capacitiva y la reactancia inductiva se igualen, el circuito tanque oscilará en su frecuencia propia o de resonancia.
- Una fracción del voltaje de salida se realimenta a través de Cin, para mantener las condiciones de oscilación.
- En serie con R4 o sustituyéndolo, se coloca un choque de radio frecuencia (RFC). Consiste en una inductancia cuya función es la de atenuar al máximo las oscilaciones de corriente alterna, pero presentando un bajo valor óhmico a la corriente continua.
- Obviamente la puede modificarse variando el valor del capacitor o de la inductancia del circuito tanque. En algunos receptores de automóvil se ha utilizado el método de variación de , ya que el mecanismo para desplazar el núcleo de las bobinas, resulta más estable ante los movimientos bruscos.
Oscilador Colpitts
- Es un oscilador que tiene mejor prestación en frecuencias altas que el oscilador Hartley, se utiliza hasta el rango de ultra altas frecuencias (UHF) y señales de frecuencia variable.
- Aunque puede tener distintas configuraciones, se distingue fácilmente por tener un divisor capacitivo en lugar de las bobinas. Generalmente, la unión de los capacitores tiene derivación a masa.
- La del tanque está dada por:
- también cumple la función de proporcionar energía de realimentación a través de .
- La frecuencia de oscilación se determina de forma análoga al caso anterior:
- Para que se cumpla con el criterio de Barkhausen, adoptando un circuito con BJT,
Oscilador Armstrong
- Es considerado uno de los primeros circuitos utilizados como oscilador. Este dispositivo tiene una configuración que fue muy empleada en los sistemas de osciladores locales en los receptores.
- El circuito tanque, sólo posee un inductor y un capacitor.
- La realimentación se realiza por acoplamiento electromagnético.
- Este acoplamiento está dado por:
- es la inductancia mutua expresada en Henrios (H)
- es el grado de acoplamiento expresado como fracción decimal
- La frecuencia de oscilación está dada por
Oscilador Pierce
- Este oscilador utiliza un cristal de cuarzo, el cual una vez en resonancia confiere al circuito una gran estabilidad en frecuencia.
- En general, utiliza circuitos relativamente sencillos. Funciona en frecuencias de hasta 30 MHz utilizando el modo fundamental del cristal. Se puede obtener un muy buen funcionamiento en frecuencias de hasta 200 MHz utilizando la propiedad de sobretono o frecuencia armónica del cristal.
Oscilador Clapp
- El oscilador Clapp está formado por un circuito muy similar al del oscilador Colpitts.
- La diferencia fundamental, la constituye el capacitor (C1) dispuesto en configuración serie con la bobina (L1).
- Este capacitor, puede ser variable para establecer la frecuencia de oscilación.
- Para el circuito mostrado, la frecuencia de oscilación se determina:
Generalidades
- Los osciladores LC son más sencillos, y modificando la capacitancia o la inductancia de alguno de sus componentes es posible obtener osciladores variables. Sin embargo, la construcción mecánica es delicada, y más allá de los 15 MHz son bastante inestables: la frecuencia "deriva". Algunos, como el Hartley, tienen un contenido de armónicos muy rico, lo que obliga a filtrar cuidadosamente la señal para eliminar esos armónicos. El Colpitts es sumamente utilizado. El Vackar es muy estable pero requiere en su versión original algunos componentes muy caros o difíciles de obtener. El Seiler y el Clapp son mejoras del Colpitts.
Los osciladores por frecuencia sintetizada son producidos por circuitos integrados especiales. Sin embargo, esos circuitos integrados son caros y difíciles de soldar, lo que limita su uso en los proyectos del radioaficionado menos equipado. Además, codificar una frecuencia suele requerir un microprocesador para controlarlo, lo cual complica el diseño. Finalmente, estos sintetizadores de frecuencia suelen introducir un molesto ruido de fase.
Bibliografía
- Electrónica. Teoría de circuitos. Boylestad - Nashelsky. ISBN 968-880-347-2
- Ingeniería Electrónica. Alley - Atwood. ISBN 968-18-0967-X
- Sistemas de Comunicaciones Electrónicas. Wayne Tomasi. ISBN 970-26-0316-1
- Electrónica en Sistemas de Comunicación. Sol Lapatine. ISBN 968-18-1641-2
- Fundamentos y Sistemas Electrónicos para Señales Analógicas. Sánchez López. ISBN 968-861-039-9