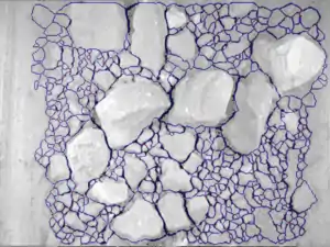
Granulometría óptica
La granulometría óptica es el proceso de medición de diferentes tamaños de grano en un material granular basado en una fotografía. [1]
Se ha creado tecnología para analizar una fotografía y crear estadísticas basadas en lo que retrata la imagen. Esta información es vital para mantener la maquinaria en diversos comercios en todo el mundo. Las compañías mineras pueden usar la granulometría óptica para analizar rocas inactivas o móviles para cuantificar el tamaño de estos fragmentos..[2] Las empresas forestales pueden concentrarse en los tamaños de astillas de madera sin detener el proceso de producción y minimizar los errores de tamaño.[3]
Con la producción de más tecnologías de fotoanálisis, las compañías mineras han mostrado un mayor interés en este tipo de sistemas debido a su capacidad para mantener la eficiencia en todo el proceso minero.[4] Las compañías están ahorrando millones de dólares anualmente debido a esta nueva tecnología, y están reduciendo los costos de mantenimiento de los equipos.
Para que la granulometría óptica sea completamente exitosa, se debe tomar una foto precisa, con suficiente iluminación y utilizando la tecnología adecuada, para obtener resultados cuantificados.[5] Si se cumplen estos requisitos, se puede implementar un sistema de análisis de imágenes.
El proceso
El software utiliza cuatro pasos básicos para determinar el tamaño promedio del material:

Vea el artículo de Wikipedia en Análisis de fotografías para ver cómo las compañías mineras, forestales y agrícolas están utilizando esta tecnología para mejorar las técnicas de control de calidad.
Vea también
- Distribución de tamaño de partícula
- Tamaño de grano
- Granulometría (morfología)
Notas
- Definición de granularity Archivado el 4 de marzo de 2016 en Wayback Machine. en GEMET
- (Franklin y Katsabanis 1996), página 68
- (Franklin y Katsabanis 1996), página 47
- (Franklin y Katsabanis 1996), página 258
- (Franklin y Katsabanis 1996), página 115
Referencias
Enlaces externos
- Esta obra contiene una traducción total derivada de «Optical granulometry » de Wikipedia en inglés, concretamente de esta versión, publicada por sus editores bajo la Licencia de documentación libre de GNU y la Licencia Creative Commons Atribución-CompartirIgual 3.0 Unported.
- Aplicación web libre para Partícula y Análisis de Grano