Espinterómetro
El espinterómetro es un aparato que sirve para medir la rigidez dieléctrica de un material, la cual se mide por la cantidad de voltios que producen la perforación del material.

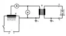
Diagrama de un espinterómetro.
Para ello se coloca el material en estudio entre las armaduras de un condensador, y se aplica una diferencia de potencial conocida entre ellas.
Para ello se utiliza el espinterómetro, que es una máquina productora de altas diferencias de potencial, para lo que suele usarse corriente alterna con un transformador elevador de tensión, con un regulador de dicha tensión. Los extremos terminan cada uno en una bola metálica. Es lo que se denomina como descargador.
Este artículo ha sido escrito por Wikipedia. El texto está disponible bajo la licencia Creative Commons - Atribución - CompartirIgual. Pueden aplicarse cláusulas adicionales a los archivos multimedia.